Легковой, двухосный, лодочный прицепы, прицеп для снегохода, фаркоп, установка фаркопа.
Фаркоп Киа (Kia) X-Line 2017-20/ KIA Rio X 2021 съемный квадрат (KRL991101) KRL-17-991122.00
17 120 P * 1 шт
| Стоимость набора: | 25 320 P |
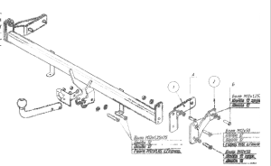
Фаркоп под квадрат или, как его еще называют, американский фаркоп на Kia Rio X-line/Rio X, очень удобен в эксплуатации, благодаря быстросъемной части, при этом рама и кронштейн фаркопа скрыты за задним бампером и не выступают за габариты автомобиля. В нашем интернет-магазине вы можете купить фаркоп под американский квадрат, рама которого устанавливается в штатные места, предусмотренные заводом-изготовителем. Выход из рамы представляет собой толстостенную трубу с квадратным сечением и сквозным отверстием для стопорного пальца тягово-сцепного устройства. Диаметр шара — 50 мм.
- ТСУ (фаркоп) / съемный квадрат устанавливается в штатные места автомобиля, предусмотренные заводом – изготовителем.
- Уникальная многослойная технология покраски;
- В комплектации изделий используются только оцинкованные метизы.
- Требуется не более 10 секунд на снятие/установку тягового кронштейна;
- Для снятия /установки не требуется специальный инструмент;
- В основном блоке возможно использовать другие изделия с креплением «под квадрат»;
- Возможность регулировать горизонтальный уровень сцепки в пределах понижения фаркопа переворачиванием съемного кронштейна;
- Возможность заменить как съемный кронштейн целиком, так и отдельно сцепной шар.
Обращаем Ваше внимание, что на автомобили завезенные по параллельному импорту или произведенные не в РФ, при установке данного фаркопа, может потребоваться съем бампера, подрезка бампера, или другие дополнительные работы, не отраженные в паспорте на фаркоп. Время и стоимость работ может быть увеличена.
Купить Фаркоп Киа (Kia) X-Line 2017-20/ KIA Rio X 2021 съемный квадрат (KRL991101) KRL-17-991122.00 в городах Казань, Уфа, Ижевск, Набережные Челны, Чебоксары по низким ценам. Большой выбор недорогих прицепов, фаркопов, автобоксов, запчастей для легковых прицепов. Быстрая доставка. Оригинальные товары, гарантия, рассрочка, распродажи, скидки и акции. Огромный ассортимент. Реальные отзывы покупателей
Чебоксары - самовывоз (Можно купить прицеп, запчасти. Установить фаркоп)
Казань - самовывоз (Можно купить прицеп, фаркоп, запчасти. Установить фаркоп)
Уфа - самовывоз (Можно купить прицеп, фаркоп, запчасти. Установить фаркоп)
Набережные Челны - самовывоз (Можно купить прицеп, фаркоп, запчасти. Установить фаркоп)
Ижевск - самовывоз (Можно купить прицеп, фаркоп, запчасти. Установить фаркоп)
Курьер - водитель (прицеп транспортируется своим ходом "на фаркопе")
Яндекс Доставка - срочная курьерская доставка
Деловые линии - транспортная компания
Почта России - почтовые отправления
СДЭК - курьерская служба
- Наличными
- Сбербанк Онлайн
- Банковскими картами MasterCart, Visa, Maestro, МИР
- В рассрочку или льготный кредит
- По QR-коду
- На расчетный счет в банке
Установить фаркоп от 1 часа в городах Казань, Уфа, Чебоксары, Набережные Челны
Компания "АРИВА" качественно производит установку фаркопов на все легковые автомобили отечественного и импортного производства. С момента основания компании в 2009 году все фаркопы устанавливает один и тот же специалист. За всё время работы нами установлено более 1500 фаркопов на различные марки автомобилей. Работы по установке фаркопа выполняются «под ключ». То есть, устанавливается фаркоп с шаром диаметром 50мм и подключается 7 или 13 контактная электророзетка. Также, мы устанавливаем смарт-коннекты.
Документы на фаркоп. Сертификат на фаркоп и установку фаркопа.
После установки фаркопа Вы получаете полный пакет документов, который сохраняет гарантию официального дилера автомобиля, а также подтверждает то, что Ваш фаркоп не требуется регистрировать в органах ГИБДД.- Копия сертификата на фаркоп, заверенная нашей организацией
- Копия сертификата на установку фаркопа, заверенная нашей организацией
- Квитанция об оплате и Акт на оказанные услуги
- Квитанция об оплате и товарный чек (товарная накладная)
- Этикетка с упаковки фаркопа
Гарантия на установку фаркопа 1 год.
| Виды работ по установке фаркопа и электрике фаркопа | Стоимость, руб. | Время, час |
| Установка фаркопа с подключением электрики на автомобили ВАЗ, ГАЗ, УАЗ, ИЖ. | от 3300 | 1-2 |
| Установка фаркопа с подключением электрики на автомобили импортного производства, где не требуется установка смарт – коннекта. | от 4400 | 2-3 |
| Установка фаркопа с подключением электрики на автомобили импортного производства, где требуется установка смарт – коннекта. | от 5500 | 3-5 |
| Установка 7 или 13 контактной розетки с подключением электрики на автомобили ВАЗ, ГАЗ, УАЗ, ИЖ. | от 2000 | 0,5-1 |
| Установка 7 или 13 контактной розетки с подключением электрики на автомобили импортного производства, где не требуется установка смарт – коннекта. | от 2000 | 1-2 |
| Установка 7 или 13 контактной розетки с подключением электрики на автомобили импортного производства, где требуется установка смарт – коннекта. | от 2700 | 2-3 |
| Настройка электрики фаркопа под 7 или 13 контактную вилку прицепа. | от 300 | 0,15 – 2 |
| Замена электророзетки фаркопа на 7 или 13 контактную. | от 550 | 0,15 – 2 |
| Замена или ремонт подрозетника фаркопа. | от 300 | 0,15 – 2 |
Характеристики
|
Комплектация электрикой
|
Нет, требуется Smart Connect |
|
Нагрузка на шар, кг
|
1500/80 |
|
Подрезка бампера
|
Нет |
|
Снятие бампера
|
Нет |
|
Вес, кг
|
21.5 |
|
Вес, кг
|
21.5 |
|
Прoизводитель
|
PT GROUP |

![WKw72NJYMQc[1] WKw72NJYMQc[1]](/upload/resize_cache/iblock/fb4/50_50_140cd750bba9870f18aada2478b24840a/ez8j5dfrqaj59xngv75w9w9uktbg0ny8.jpg)


