Купить прицеп МЗСА в городах Казань, Уфа, Набережные Челны, Ижевск, Чебоксары. Ежедневно, В наличии.
Легковой, двухосный, лодочный прицепы, прицеп для снегохода, фаркоп, установка фаркопа.
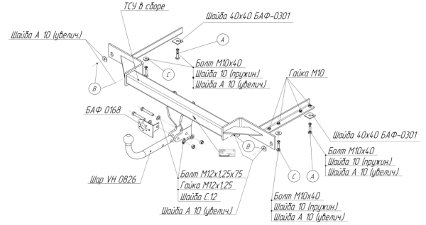
Фаркопы для легковых автомобилей
4233 товара
|
|||||
|
|||||
|
|||||
|
|||||
|
|||||
|
|||||
|
|||||
|
|||||
|
|||||
|
|||||
|
|||||
|
|||||
|
|||||
|
|||||
|
|||||
|
|||||
|
|||||
|
|||||
|
|||||
|
